Ohio Contact replacement crane controls for Cutler Hammer P-200A Safety Limit Stop. When you locate the product(s) of your choice, please call 800–310–5999 or click on the part number below to email inquiry for pricing, availability or questions you need answered!

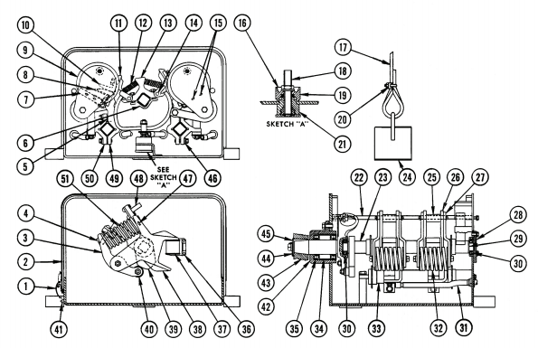
| Item No. | OEM No. | Description |
|---|---|---|
| 1 | 55-1396 | Clamp |
| 2 | 47-11733 | Cover |
| 3 | 24-4448 | Cam Lever |
| 4 | 29-1459-2 | Tube |
| 5 | 29-2957-2 | Spacer |
| 6 | 55-1539 | Clamp |
| 7 | 56-3018-2 | Spacer |
| 8 | 73-1241 | Arc Guard |
| 9 | 62-109-14 | Blowout Complete |
| 10 | 23-1225 | Contact |
| 10 | 916-199 | Lockwasher |
| 10 | 911-5890Z | Screw |
| 11 | 24-4441-2 | Contact Lever |
| 12 | 69-721 | Spring |
| 13 | 79-6284 | Support |
| 13 | 13-3962 | Adjusting Pin |
| 14 | 13-441-4 | Shaft |
| 15 | 813-159 | Pin |
| 16 | 80-2464 | Insulated Mounting Complete |
| 17 | 86-1456 | Hoist Rope |
| 18 | 14-403-30 | Stud |
| 19 | 32-239-20 | O Ring |
| 19 | 56-2736 | Molded Insulator |
| 20 | 999-119 | Elliptical Clip |
| 20 | 3433-3 | Crosby Clip |
| 21 | 56-2759 | Insulator |
| 22 | 61-1394 | Locking Rod Complete |
| 22 | 69-2350 | Spring |
| 22 | 13-3187-12 | Spring Pin |
| 23 | 13-3879-8 | Insulation Assembly (movable) |
| 23 | 13-131-3 | Key |
| 23 | 13-3879-2 | Movable Shaft Complete |
| 24 | 14148H169A | Weight |
| 25 | 56-1288-9 | Spacer |
| 25 | 916-682Z | Lockwasher |
| 25 | 814-1685 | Stud |
| 25 | 1216-4 | Washer |
| 25 | 915-24F3 | Nut |
| 26 | 4973-3 | Arc Shield |
| 27 | 3462-183F1 | Pole Piece |
| 28 | 20-1048 | Bearing Cap |
| 29 | 16-357 | Shim Washer |
| 30 | 20-1051 | Sealed Bearing |
| 31 | 25-2006 | Connector |
| 32 | 56-1111-13 | Insulating Tube |
| 32 | 9-460-450 | Blowout Coil, DC |
| 32 | 29-2607-9 | Core |
| 32 | 16-687-6 | Insulating Washer |
| 32 | 9-460-445 | Blowout Coil, AC |
| 33 | 13-3879-7 | Insulation Assembly |
| 33 | 13-3879 | Stationary Shaft Complete |
| 34 | 29-1954-6 | Spacer |
| 35 | 20-1052 | Sealed Bearing |
| 36 | 55-464 | Bumper Holder |
| 37 | 18-1398-2 | Bumper |
| 38 | 24-4443 | Stop Lever |
| 39 | 54-6121 | Cam |
| 40 | 20-1031-2 | Bearing |
| 41 | 55-1397 | Clamp |
| 42 | 20-1047 | Bearing Cap |
| 43 | 14148H172A | Weight Lever, LH |
| 43 | 14148H170A | Weight Lever Straight |
| 43 | 14148H171A | Weight Lever, RH |
| 44 | 47-11734 | Locking Plate |
| 45 | 16-645-21 | Washer |
| 46 | 56-1174-17 | Insulator |
| 47 | 13-840 | Pin |
| 48 | 18-1491 | Stop Block |
| 49 | 55-1533 | Clamp |
| 50 | 55-1534 | Clamp |
| 51 | 69-1832 | Spring |
